修车大队楼凤论坛最新公告 ,广州桑拿网蒲友论坛最新活动,2025小姐威客信息最新动态,栖凤阁论坛最新动态

咨询热线0371-6777 2727

当前位置:
  1. 首页
  2. >
  3. 新闻中心
  4. >
  5. 新闻正文

球磨机传动轴在使用过程中出现的问题分析

作者:田慧慧 发布时间:2012-07-28 15:02:49 更新时间:2018-05-11 14:37:40
上一篇 已经是最后一篇了

1:球磨机传动轴齿轮频繁发生齿轮折断

近些年来,传动轴齿轮频繁发生齿轮折断如下图所示:

2003 -2005年齿轮失效统计表

齿轮失效统计图表

注:影响处理矿量(t)=影响开车时间(h)×球磨机台效(t/h)

从表中不难看出,球磨机轴齿轮的平均使用寿命不到6个月,每次齿轮轮齿折断都直接造成经济损失46000余元。

后来通过分析球磨机传动轴齿轮的结构进行改装,其材质由原来的35SiMn2MoV改为40Cr。

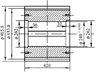
传动轴齿轮的原结构图,如下所示

球磨机传动轴齿轮的原结构图

轴齿轮结构图

在保证轴齿轮各部尺寸计算参数保持不变的情况下,改装为齿轮与轴的组合件,从而保证正常的齿轮啮合运行,当齿轮的轮齿发生失效时可以把齿轮拆掉,轮可以继续使用。改造后的如下图所示

球磨机结构图

齿轮

2:球磨机传动轴和轴承座联接螺栓断裂的原因和处理方法有哪些?

一般来说是传动部加工或安装误差大(包括某些坚固螺栓松动)引起的振动超标引起。检查所有定位销(配合螺栓)、联接螺栓有无松动,传动各部位置是否规范。

球磨机

球磨机

3: 球磨机在火力发电厂制粉系统中被广泛的应用,但其传动轴振动及小牙轮断齿一直困扰着系统的安全生产,前一时期制粉系统也倍受这两个缺陷的困扰,甚至影响到了机组燃料的供应,经检修人员多次调整,效果显著,传动轴振动低于0.05mm。

免费获取
  • 建厂方案
  • 投资分析
  • 环保政策分析
+ 在线留言

如果您对我们的产品有任何需求、建议和意见,请您留言! 看到信息后会第一时间给您回复。谢谢!